1. <center id="iWUV6eB"></center>

        1. <label id="iWUV6eB"></label>
        2. IEC61032 Test Probe 41 BND-41

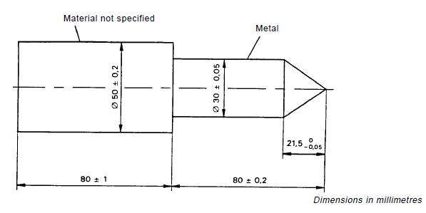
          Product Description:Technical Parameters:1,Test Rod Diameter: 30mm2, Rigid Finger Length:80mm3,Handle Diameter:50mm4,Handle Length:80mm5, According to : IEC61032:1997 Figure 16
          Description

          Product Description:

          Technical Parameters:

          1,Test Rod Diameter: 30mm

          2, Rigid Finger Length:80mm

          3,Handle Diameter:50mm

          4,Handle Length:80mm

          5, According to : IEC61032:1997 Figure 16


          Appliance :

          This probe is intended to verify the protection against access to glowing heating elements.


          IEC61032 Test Probe 41-1

          IEC61032 Test Probe 41-2

          SgHMhjavascript:void();

            1. <center id="iWUV6eB"></center>

                1. <label id="iWUV6eB"></label>